|
爱多电子长期致力于经营新能源高压保险丝的销售,成熟产品能做到500V、600V、700V、1000V、3000V、5KV、10KV等,产品品质成熟稳定,欢迎选购:
其产品说明如下:
一、 5X20mm高压保险丝,该特高压保险管高压可以做到DC/AC500V、600V、700V、1000V、3000V等型号,具体规格型号如下:

1.规格型号和安规认证:
MODEL NUMBER AND SAFETY CERTIFICATION
·
品名规格:系列号+額定电流+額定电压+认证符号
Model Number: Part Number+Rated Current+Rated Voltage+Approvals.
例子[example]:
5CH
1A 1000V 1)系列号 Part Number
2)額定电流 Rated Current
1)
2) 3)
3)額定电压 Rated Voltage
1-2 額定电流和額定电压
Rated Current And Voltage
額定电流: 63mA~1
Rated Current: 63mA~1
額定電压:500V/600V/1000V AC/DC
Rated Voltage: 500V/600V/1000V AC/DC
1-3标示Marking
保险管上需有下列标示
The fuse shall have the following marking:
規格:特性符号+額定电流+額定電压
Specification:Characteristic Symbol+Rated Voltage
63mA~800mA : _mA500V/600V/1KV 1A~1:_A500V/600V/1KV
Trade mark:The Manufacture’s Logo+Part Number+Approvals
63mA~1:
注意:对标示字样大小没有规定
Note:Size of the markings have not be specified.
2.适用范围
SCOPE
适用于一般电子设备。Used in electronic equipment.
3.工程图和结构
OUTLINE DRAWING AND STRUCTURE
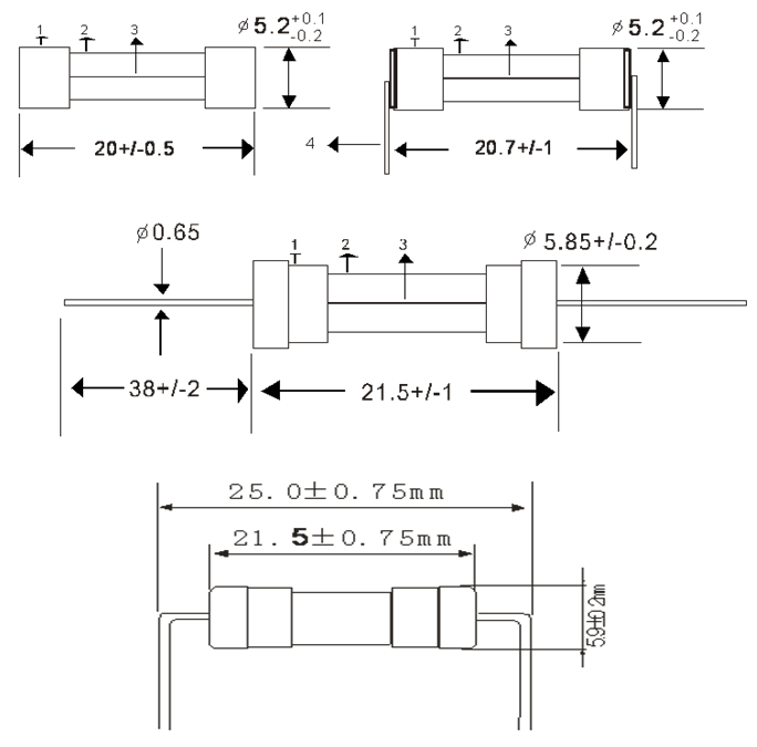
3-1 工程图(单位:mm)
Outline Drawing and Dimensions(Unit:mm)
3-2结构
Structure
|
编号
No.
|
元件
Component
|
材质
Material
|
数量
Quantity
|
|
(1)
|
熔丝
Wire
|
合金
Alloy
|
1
|
|
(2)
|
铜帽
Cap
|
黄铜镀镍
Brass with mickel plated
|
2
|
|
(3)
|
本体
Body
|
玻璃管
CERAMIC Tube
|
1
|
|
(4)
|
引线
Lead
|
镀锡铜线
Tinned Copper wire
|
2
|
4.外观及形状
APPEARANCES AND CONFIGURATION
4-1外观:不应有破碎、明显的瘀斑
Appearances:There shall no fragmentation and of remarkable blotch.
4-2形状:带脚的保险丝
Configuration:Axial Leaded Fuse.
5.物理特性
PHYSICAL CHARACTERISTIC
5-1 拉力测试
Tensile test
沿端子的轴向施加10N的拉力,持续1分种。
Keep pulling the cap of the fuse with 10N at axial direction for 1 min.
6.电气特性
ELECTRICAL CHARACTERISTICS
熔断/电流特性:
Pre-Arcing Time/Current Characteristic
a、Breaking capacity(分断能力)(Time Lag and Fast Acting)
|
15000A
|
500/600V/1KV/3KV
|
AC/DC
|
b、Electrical characteristics
Time Lag(国标、欧标CCC/VDE)
|
RATED CURRENT
|
2.1IN
|
2.75IN
|
4IN
|
10IN
|
|
32mA to 100mA
|
Max.
|
Min.
|
Max.
|
Min.
|
Max.
|
Min.
|
Max.
|
|
30 min.
|
1S
|
80S
|
95mS
|
5S
|
10mS
|
100mS
|
|
大于100mA
|
30 min.
|
1S
|
80S
|
150mS
|
5S
|
20mS
|
100mS
|
Fast Acting
|
RATED CURRET
|
2.1IN
|
2.75IN
|
4IN
|
10IN
|
|
大于50mA
|
Max.
|
Min.
|
Max.
|
Min.
|
Max.
|
Max.
|
|
30 min
|
10ms
|
2S
|
3ms
|
300ms
|
20ms
|
美标(UL)
|
Rated current
|
1IN
|
1.35IN
|
2IN
|
|
MIN
|
MAX
|
MAX
|
|
63mA~1
|
4Hrs
|
1hr
|
5Sec
|
c、Temperature character
When 100% of rating the temperature rise doesn’t exceed 75℃.
d、Approvals
|
Catalogue number
|
Rated current
|
Voltage
|
参照美标、欧标
|
|
5CFP/5CTP
|
63mA~1
|
500/600V/1KV
|
7.环境特性
ENVIRONMENTAL SPECIFICATION
7-1 操作溫度范围:-5℃~60℃
Operating Temperature: -5℃~60℃
7-2 保存条件
Storage Conditions
溫度:+10℃~60℃
Temperature: +10℃~60℃
在相对湿度≤75%下平均可存放3年
On average, It can be stored below the relative humidity or 75% for 3 years.
在非露天下,相对湿度为95%下多可存放30天。
Without dew, It can be kept under humidity of 95% for 30 days.
8.焊接条件
SOLDERING PAAMETERS
8-1波峰焊
Wave Solder
焊接溫度:260±5℃
Soldering Temperature:260±5℃
焊接時間:4 Sec. Max.
Soldering Time:4 Sec.Max.
8-2手工焊錫
Manual Solder
焊接溫度:350±5℃
Soldering Temperature: 350±5℃
焊接時間:3 Sec. Max.
Soldering Time: 3 Sec. Max.
9.其他使用注意事項
OTHER NOTICE IN USING
如果需在保險丝上加热縮套管,烘烤溫度与时间需参照以下规定
If heat shrink tubing was needed,the roast temperature and time should be refer to the following.
设定烘烤溫度:不大于150℃ 烘烤時間:50s Max.
The temperature should be sel under 150℃,roast time:50s Max.
二、 6.35X32mm特高压保险管规格如下,该特高压电流保险管高压可以做到500V、600V、1000V、3000V等规格,更多型号请电联。
1.规格型号和安规认证:
MODEL NUMBER AND SAFETY CERTIFICATION
1-1 品名规格:系列号+额定电流+额定电压+认证符号
Model Number: Part Number+Rated
Current+Rated Voltage+Approvals.
例子[example]:
6CFUP 10A
500V
1)系列號 Part Number
2)額定電流 Rated Current
1) 2) 3) 3)额定电压 Rated Voltage
1-2 额定电流跟额定电压
Rated Current And Voltage
额定电流: 63mA~30A
Rated Current: 63mA~30A
額定電压: 500V/600V AC/DC
Rated Voltage: 500V/600V AC/DC
1-3标示Marking
保险丝上需有下列标示
The fuse shall have the following marking:
规格:特性符号+额定电流+额定电压
Specification:Characteristic Symbol+Rated Voltage
63mA~800mA : _mA250V/500V
1A~30A:_A250V/500V
Trade mark:The Manufacture’s Logo+Part Number+Approvals
63mA~30A:
注意:对标示字样大小没有规定
Note:Size of the markings have not be specified.
2.适用范围
SCOPE
适用于一般电子设备。Used in electronic equipment.
3.工程图和结构
OUTLINE DRAWING AND STRUCTURE
3-1 工程图(单位:mm)
Outline Drawing and Dimensions(Unit:mm)

3-2结构
Structure
|
编号
No.
|
元件
Component
|
材质
Material
|
数量
Quantity
|
|
(1)
|
熔丝
Wire
|
合金
Alloy
|
1
|
|
(2)
|
铜帽
Cap
|
黄铜镀锡
Brass with mickel plated
|
2
|
|
(3)
|
本体
Body
|
陶瓷管
CERAMIC Tube
|
1
|
|
(4)
|
引线
Lead
|
镀锡铜线
Tinned Copper wire
|
2
|
4.外观及形状
APPEARANCES AND CONFIGURATION
4-1外观:不应有破碎、明显的瘀斑
Appearances:There shall no fragmentation and of remarkable blotch.
4-2形状:帶脚的保险管
Configuration:Axial Leaded Fuse.
5.物理特性
PHYSICAL CHARACTERISTIC
5-1 拉力測試
Tensile test
沿端子的轴向施加10N的拉力,持续1分钟。
Keep pulling the cap of the fuse with 10N at axial direction for 1 min.
6.电气特性
ELECTRICAL CHARACTERISTICS
熔断、电流特性:
Pre-Arcing Time/Current Characteristic
a、Breaking capacity(分断能力)(Time Lag and Fast Acting)
b、Electrical characteristics
Fast Acting(参照美标)
|
Rated current
|
135%
|
200%
|
|
63mA~30A
|
Max.
|
Max.
|
|
1 hour
|
120 sec
|
c、Temperature character
When 100% of rating the temperature rise doesn’t exceed 75℃.
d、Approvals
|
Catalogue number
|
Rated current
|
Voltage
|
参照国标,美标
|
|
6CFUP
|
63mA~30A
|
250V/500V
|
7.环境特性
ENVIRONMENTAL SPECIFICATION
7-1 操作溫度范围:-5℃~60℃
Operating Temperature: -5℃~60℃
7-2 保存条件
Storage Conditions
溫度:+10℃~60℃
Temperature: +10℃~60℃
在相对湿度≤75%下平均可存放3年
On average, It can be stored below the relative humidity or 75% for 3
years.
在非露天下,相对湿度为95%下最多可存放30天。
Without dew, It can be kept under humidity of 95% for 30 days.
8.焊接条件
SOLDERING PAAMETERS
8-1波峰焊
Wave Solder
焊接溫度:260±5℃
Soldering Temperature:260±5℃
焊接時間:4 Sec. Max.
Soldering Time:4 Sec.Max.
8-2手工焊锡
Manual Solder
焊接溫度:350±5℃
Soldering Temperature: 350±5℃
焊接時間:3 Sec. Max.
Soldering Time: 3 Sec. Max.
9.其他使用注意事項
OTHER NOTICE IN USING
如果需在保險丝上加熱縮套管,烘烤溫度與時間需參照以下規定
If heat shrink tubing was needed,the roast temperature and time should
be refer to the following.
设定烘烤溫度:不大于150℃ 烘烤时间:50s Max.
The temperature should be sel under 150℃,roast
time:50s Max.
三、 10X38mm特高压系能源保险丝,该特高压电流保险管可以按照客户要求做到500V、600V、1000V、3000V 等,更多规格请电话联系。
1.规格型号和安规认证
MODEL NUMBER AND SAFETY CERTIFICATION
·
品名规格:系列号+额定电流+额定电压+认证符号
Model Number: Part Number+Rated Current+Rated Voltage+Approvals.
例子[example]:
10HCU 40A 500V 1)系列号 Part Number
2)额定电流 Rated Current
1)
2) 3) 3)额定电压 Rated Voltage
1-2 额定电流和额定电压
Rated Current And Voltage
额定电流: 100mA~50A
Rated Current: 100mA~50A
额定电流;125V/250V~1000V AC
Rated Voltage:125V/250V~1000V AC
1-3标示Marking
保险管上需要有下列标示
The fuse shall have the following marking:
规格:特性符号+额定电流+额定电压
Specification:Characteristic Symbol+Rated Voltage
100mA~800mA : _mA500V 1A~50A:_A500V
Trade mark:The Manufacture’s Logo+Part Number+Approvals
100mA~500A:
注意:对标示字样大小没有规定
Note:Size of the markings have not be specified.
2.适用范围
SCOPE
适用于一般电子设备。Used in electronic equipment.
3.工程图和结构
OUTLINE DRAWING AND STRUCTURE
3-1 工程图(單位:mm)
Outline Drawing and Dimensions(Unit:mm)
3-2结构
Structure
|
编号
No.
|
元件
Component
|
材质
Material
|
数量
Quantity
|
|
(1)
|
熔丝
Wire
|
合金
Alloy
|
1
|
|
(2)
|
铜帽
Cap
|
黄铜镀锡
Brass with mickel plated
|
2
|
|
(3)
|
本体
Body
|
陶瓷管
CERAMIC Tube
|
1
|
4.外观及形状
APPEARANCES AND CONFIGURATION
4-1外观:不应有破碎、明显的瘀斑
Appearances:There shall no fragmentation and of remarkable blotch.
4-2形状:帶脚的保险管
Configuration:Axial Leaded Fuse.
5.物理特性
PHYSICAL CHARACTERISTIC
5-1 拉力测试
Tensile test
沿端子的轴向施加10N的拉力,持续1分钟。
Keep pulling the cap of the fuse with 10N at axial direction for 1 min.
6.电气特性
ELECTRICAL CHARACTERISTICS
熔断/电流特性:
Pre-Arcing Time/Current Characteristic
a、Electrical characteristics
Fast Acting(参照美标)
|
Rated current
|
135%
|
200%
|
|
100mA~50A
|
Max.
|
Max.
|
|
1 hour
|
120 sec
|
b、Temperature character
When 100% of rating the temperature rise doesn’t exceed 75℃.
7.环境特性
ENVIRONMENTAL SPECIFICATION
7-1 操作溫度范围:-5℃~60℃
Operating Temperature: -5℃~60℃
7-2 保存条件
Storage Conditions
温度:+10℃~60℃
Temperature: +10℃~60℃
在相对湿度≤75%下平均可存放3年
On average, It can be stored below the relative humidity or 75% for 3 years.
在非露天下,相对湿度为95%下多可存放30天。
Without dew, It can be kept under humidity of 95% for 30 days.
8.其他使用注意事项
OTHER NOTICE IN USING
如果需要在保险管上加热缩套管,烘烤温度与时间需要参照以下规定
If heat shrink tubing was needed,the roast temperature and time should be refer to the following.
设定烘烤温度:不大于150℃ 烘烤时间:50s Max.
The temperature should be sel under 150℃,roast time:50s Max.
|